防爆電機YB3系列
YB3系列隔爆型三相異步電動機廣泛應用于石油、化工、紡織、輕工、鋼鐵、建筑、煤礦等行業。YB3系列隔爆型高效率三相異步電動機設計新穎、高效、節能、低噪、環保產品,它具有體積小、重量輕、結構緊湊、外表美觀、安裝使用維護方便等諸多優點。?
YB3系列隔爆型三相異步電動機是行業YB2系列的更新換代產品,是在貫徹標準化、系列化、通用化的基礎上設計的全封閉、自扇冷、鼠籠式、高效率隔爆型三相異步電動機,效率執行GB/T18613-2006《中小型三相異步電動機能效限定值及節能評價》中的2級能效,而且符合歐美國家的eff1效率指標,本系列電動機具有體積小、重量輕、外形美觀、運行安全可靠、壽命長、性能優良、安裝使用維修方便的特點,
符合環保要求而且能與國際標準接軌,便于在此基本系列的基礎上進行國內防爆派生系列以及出口配套電機的開發。
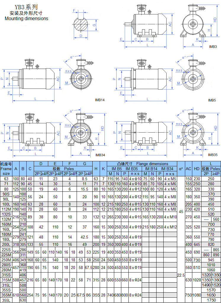
本系列電動機的功率等級、安裝尺寸符合國際電工委員會(IEC)標準,其對應關系與德國DIN42673標準相同,有利于出口設備的配套和引進設備的備品備件。
本系列電動機防爆性能符合GB3836.1-2000《爆炸性氣體環境用電氣設備
第1部分:通用要求》和GB3836.2-2000《爆炸性氣體環境用電氣設備
第2部分:隔爆型“d”》的規定,也符合IEC79-1,BS4683和EN50018的規定,制成隔爆型。
防爆標志為Exd I、Exd II AT4、Exd II BT4、Exd II CT4適用于有爆炸性氣體混合物存在的場所。
Exd I適用于甲烷或煤塵的爆炸性混合物存在的煤礦井下非采掘工作面環境。
Exd II AT4適用于工廠用II類A級,溫度組別為T1、T2、T3和T4組爆炸性氣體混合物存在的環境。
Exd II BT4適用于工廠用II類B級,溫度組別為T1、T2、T3和T4組爆炸性氣體混合物存在的環境。
Exd II CT4適用于工廠用II類C級,溫度組別為T1、T2、T3和T4組爆炸性氣體混合物存在的環境。
在YB3基本系列電動機基礎上,也可制成YB3-W戶外型、YB3-TH戶內濕熱帶型、YB3-THW戶外濕熱帶型、YB3-TA戶內干熱帶型、YB3-TAW戶外干熱帶型、YB3-T戶內熱帶型、YB3-TW戶外熱帶型及YB3-WF1戶外中等防腐蝕型等氣候環境條件。

YB3系列隔爆型三相異步電動機是全封閉自扇冷式高效率三相異步電動機。其效率完全符合GB18613-2006中的2級效率指標的要求,并同時滿足國際標準IEC60034-30中IE2效率指標。該產品是對在正常運行條件下不會產生電弧或火化的電機進一步采取措施,提高其安全程度,防止電氣設備產生危險溫度、電弧和火花的可能性的防爆型式電機。YB3系列隔爆型三相異步電動機是在現代化工業中發展起來的新型高效、節能、環保型產品。外型上,美觀、實用;結構上,兼顧標準化、系列化、通用化,使企業能在基本系列的基礎上派生出各個行業部門所需要的產品,便于與國際接軌,即按最大限度滿足目前國內用戶及出口的要求。



